摘要:遥控潜水器(ROV)和自主潜水器(AUV)在水下任务中有许多应用。一个经常出现的问题是如何管理潜水器的动力源,特别是不依赖空气的推进源,如电池、蓄电池和燃料电池,以增加潜水深度、水下续航时间和续航能力。本文提出同时使用燃料电池和电池。研究对象是 Pluto Plus ROV,这是一种扫雷和反恐水下航行器。所考虑的系统在 Matlab/Simulink 中进行了模拟。其结果是一个模拟一般潜水器混合推进系统的框图,可作为改进 Pluto Plus ROV 推进系统的基础。
关键词-燃料电池.电池.推进.模拟.混合推进系统
1.介绍
尽管海洋覆盖了地球表面的 70% 以上,但其 95% 以上的面积仍未被开发[1]。使用水下航行器(UV)是扩大海底探测任务范围的理想解决方案。无人潜航器(UUVs)是在没有人类直接控制的情况下在水下运行的小型潜航器。其中包括遥控潜水器(ROV)和自主潜水器(AUV)。UUV 通常使用电池推进系统或电池与燃料电池(FC)混合推进系统 [2-6]。燃料电池,尤其是提供氢气和氧气的质子交换膜燃料电池(PEMFC),性能更高、体积小、重量轻、易于操作,并且能够在较低温度(低于 100 ℃)下运行 [8-11]。PEMFC 与锂离子电池的组合推进系统是紫外线的理想选择。基于燃料电池创造高效混合推进系统的需求吸引了越来越多的开发人员和研究人员,他们致力于混合推进系统的设计、建模和制造。研究可通过以下途径进行:(1)实验研究;(2)分析调查;(3)建模和模拟。实验研究[12- 15]是在没有进行数值计算的情况下进行的,这是一个耗时且昂贵的过程。分析调查涉及调整输入参数,以校准分析结果,使之与实验数据相吻合,可能比较复杂。数值建模和模拟在开发混合推进系统中起着至关重要的作用,因为它们能揭示系统中不同部件对其性能的影响,并有可能对部件进行调整,同时优化尺寸和质量,以增加 UV 的水下工作范围和续航时间 [16-23]。本研究设计并模拟了一种基于 FC 的混合推进系统,该系统适用于使用纯电池推进系统的 UV。为了实现这一目标,有必要解决一些问题,如计算 UV 的运动阻力、确定推进功率以及计算 FC 和电池的功率。在 Matlab/Simulink 环境中建立了系统组件的模型。通过模拟系统运行获得参数,作为模型校准和完成混合动力系统的输入。这项工作是设计和生产实际混合动力系统的基础。
2.材料和方法
A.研究对象
研究对象是用于定位、检查和清除水下目标的 Pluto Plus ROV。Pluto Plus ROV 的主要特点是[7,24]:尺寸为 2250 × 580 × 770 毫米,重量为 320 千克,最大载重量为 100 千克,最大航速为 6 节,计算航速为 3.5 节,最大下潜深度为 400 米,6 节航速下的水下续航时间为 2 小时。
B.推进系统功率的计算
计算基于粘性阻力,使用粘性阻力系数 CV、摩擦阻力系数 CF 和形状系数 (1 + k):
其中,Re = νL/μ,µ 是海水的运动粘度[m2 /s],L 是 ROV 的长度[m],v 是其速度[m/s]。形状系数可从具有圆形横截面的 UUV 的 Droblenkov 曲线中获得 [25]:
其中,D 是 ROV 的直径[m],考虑了平均宽度和高度。因此,粘性阻力的计算公式为 [25]:
其中,ρ = 1025 [kg/m3 ]为海水密度,Ω为ROV的湿表面积(直径为D,长度为L的圆柱体)。所需功率通过(4)计算,其中ηD为螺旋桨效率:
计算的输入值如表1所示。
表1.为计算的输入数据
根据表 I 和(1)-(5),图 1 中的曲线显示了所需功率与速度之间的关系。速度 v = 3.5 节时,功率 Np = 222.7 W,而 vmax = 6 节时,功率 Np = 1011 W。计算 FC 的额定功率为 300 W
图1。推进功率对ROV速度的依赖性
C. 所提出的混合动力推进系统
Pluto Plus ROV 只使用电池(图 2),因此在续航能力和耐用性方面有很多限制。因此,安装 PEMFC 的拟议模型将限制这些缺点 [8]。
图 2. 原始 Pluto Plus ROV 的动力系统
图 3 显示了拟为 Pluto Plus ROV 设计的基于 FC 的混合推进系统。建议在电池之外安装 FC 作为主要能源,通过上述计算参数,FC 产生的功率为 300 W,对应于 3.5 节的额定速度。
图3。提出的基于燃料电池的混合推进系统
D. FC参数的计算
FC 中的能量是通过 FC 内部的电化学反应从热力学能量中获得的。基本上,从放热反应中获得的能量可将 H2 和 O2 转化为水。能量通过焓 ΔH(kJ/mol)获得,通过比熵 ΔS(kJ/mol.K)乘以绝对温度 T 分解为热能,而电能则是吉布斯自由能 ΔG(kJ/mol)[22]:
其中,Wel 是有用电功,由电量 Q [C] 和电势 E [V] 决定;n = 2 是每消耗一分子燃料所转移的电子数;F 是法拉第常数(96487 C/mol)。
相对于参考条件(Tref = 25 °C,Prefv = 1 atm),该值会随工作温度、反应物分压和生成物而变化。在考虑 ΔH 和 ΔS 常量时,温度的影响会发生变化,计算方法为 [22]:
分压变化会影响 ΔG,因为 G 是比容 V(m3 /mol)和压力变化 dP 的函数(即 G = V.dP)。根据气体定律 V = RT/P,我们可以得出 得
其中 G o = -237.17 kJ/mol 是标准条件下的吉布斯自由能,R = 8.3143 J/(mol.K)。在(10)中,考虑到 FC 在分压为 PH2 的纯氢和分压为 2 PO 的纯氧中工作,因此 FC 的电势为 [23]:
其中,分压值的计算方法为:
公式 (11) 是 Nerst 公式,它给出了可能的最大潜力。FC 中有四种损耗:
活性损失:这种损失是启动反应所必需的,就像火花一样。它取决于温度、分压和电极上的催化剂[22]:
其中 i 是系数,iFC 是 FC 安培[A],CO2 是催化剂表面的氧气浓度[mol/cm3 ]。
欧姆损耗:这种损耗是由质子交换膜的电阻和电极与膜表面以及电极表面与双极板和集流板之间的接触电阻造成的[23]:
其中,Rc 是细胞的恒定电阻,Rm 是随温度变化的电阻,l 是膜的厚度 [cm],A 是膜的有效面积 [cm2 ],ρm 是膜的比电阻 (Ω.cm),由 (16) 确定,其中参数 Ψ 表示膜的水合程度(如果膜完全水合,值为 14,如果膜过饱和,值为 23)[23]:
浓度损失或传质损失:它们表示反应物的传质极限。虽然高速进给反应物会在 FC 中产生很高的电流密度,但进给速率是有限制的,反应物可能无法得到适当利用。电流密度极限 jL 是 FC 能产生的最大电流密度值,约为 1.4 A/cm2 [22,23]。
其中,B 是取决于工作条件的系数,j 是瞬时电流密度(A/cm2),j = iFC/A。最后,确定 FC 电位的公式为
计算 PEMFC 的参数见表 II [22,23]。根据文献[14],阴极和阳极的入口压力为 60 psig(4.08 atm),质子交换膜为 Nafion-117。将 (6)-(18) 与表 II 相结合,可得出图 4 的电池极化曲线 Vcell = f(j)
表2.用于计算PEMFC的参数
图4。一个FC的电压-电流特性。
所选 PEMFC 的初始预期效率为 η = 0.57,j = 0.42 A/cm2 [10]。因此,电池的输出电压为 Vcell = 0.84 V。燃料电池堆的电流等于电流密度 j 乘以单个电池的工作面积 Acell。I = jAcell = 25 A。燃料电池组的输出功率为 P = UI。因此,根据已知值,FC 电池组产生的电压为 U = P/I = 12 V。由 n 个串联的单电池组成的电池组的电压 U 可按 U = nVcell 计算。n 的值可求得:n = U/Vcell = 14 个电池。燃料电池计算结果汇总于表 3。
表3 fc堆栈计算参数
E. 一种基于fc的混合推进系统的仿真
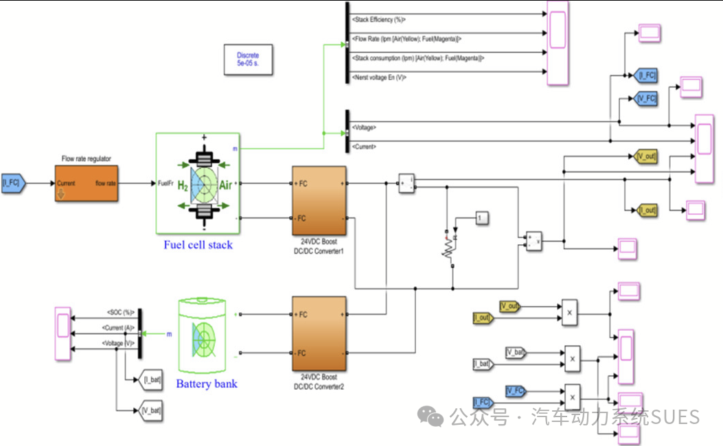
混合动力系统包括两种能源:PEMFC 和电池。当 ROV 以低于额定速度运行时,PEMFC 为运行中的推进系统发电,并为电池充电。当 ROV 从额定速度运行到最高速度时,PEMFC 和电池为螺旋桨所需的功率输出提供电力。构建混合动力系统以模拟其动态的过程包括以下步骤:(1) 建立一个 PEMFC 模型,(2) 建立一个电池组模型,(3) 建立一个 DC-DC 升压转换器,(4) 连接系统组件、进行模拟并校准其参数。
PEMFC 参数和模型分别见表 IV 和图 5。电池组为 “电池 ”模块(图 6)。直流-直流升压转换器对推进系统至关重要,可确保电机所需的电压。表 V 提供了 PI 控制器的设置参数。为了降低仿真模型的复杂性,整个 DC-DC 升压转换器在构建后被简化为整个模型框图中的一个子系统(图 7)。在构建系统组件后,将这些组件连接起来。系统仿真模型框图如图 8 所示。仿真按照预先设定的仿真时间进行。
表4 为PEMFC的输入参数
图5。PEMFC模型。
图6。阻止“电池”和电池组的输入参数。
表5 PI控制器参数
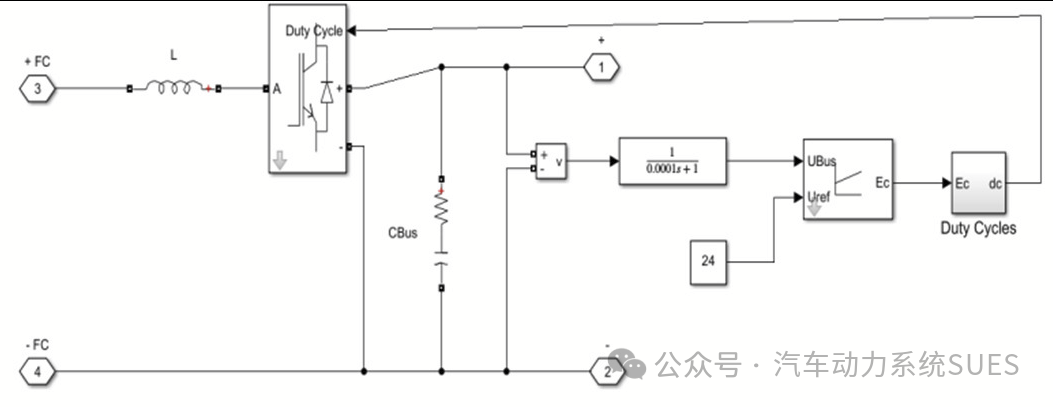
图7。DC-DC升压转换器型号
图8。基于燃料电池的混合动力推进系统模型。
3. 结果和讨论
仿真结果将以随时间变化的图表形式显示在 “范围 ”模块中(图 9-13)。此外,“显示 ”选项将显示混合动力系统工作值与设定值相比的稳定性参数。
数值模拟得出的 PEMFC 运行参数(效率、燃料消耗、氧气消耗、电压、电流)(图 9、10)和电池组(图 12)与预期计算结果一致。系统启动后,PEMFC 功率保持在 300 W 的稳定水平(图 11)。t = 7.34 秒时的速度相当于遥控潜水器的额定速度(v = 3.5 海里),在此之前,PEMFC 为遥控潜水器提供推进力,同时为电池充电。从 7.34 秒开始,ROV 的电力由 PEMFC 和备用电池组提供(图 11 和 12)。
图9。PEMFC运行参数的仿真结果。
图10。PEMFC和负载电流、电压的仿真结果
根据图 10,PEMFC 的电压和电流分别稳定在 12 V 和 25 A,而螺旋桨混合动力发动机的压降也稳定在 24 V。当 ROV 速度发生变化时,数值可能会略有变化。图 13 描述了基于燃料电池的混合推进系统的功率成分随 ROV 速度变化而变化的情况,从而观察到能源的功率协调情况,这是建立控制器的基础。它可以自动组合或分配燃料电池混合推进系统的功率。
图11。交互功率分量的仿真结果
图12。电池运行参数的仿真结果
图13。功率与工作ROV速度的模拟结果。
4.结论
计算 UUV 所需功率的理论依据是 [25] 中提出的一般方法。本研究的第一个创新点是提出了所需功率为 300 W 的燃料电池混合推进器,以取代原有的电池推进器。
第二项创新是开发了一套数据集,用于计算基于燃料电池的混合推进系统的基本组件,如 PEMFC、电池组、燃料、氧气流量和 DC-DC 升压转换器。这些数据可作为输入,用于了解 FC 参数与基于燃料电池的混合推进系统在运行期间的关系。
其他已发表的关于创建燃料电池混合推进系统的报告[13, 14]仅基于经验和许多原型的制造。本研究通过建立动态系统各组成部分的模型,突出了这一问题。对模拟条件进行周期性控制,保持 PEMFC 电源稳定,实现 PEMFC 自动化,使系统更易于使用,并降低制造成本。
最后一个新颖之处是,模拟结果揭示了动态系统中各组件之间的动力相互作用。这一发现可普遍应用于潜水器,也是将纯电池-电力推进系统改进为基于燃料电池的混合推进系统的基础,以增加潜水器的续航能力和耐用性。
声明: 本网站所发布文章,均来自于互联网,不代表本站观点,如有侵权,请联系删除。
下一篇:水下电池的应用




能量密度:125-160Wh/kg
充放电能力:5-10C(20-80%DOD)
温度范围:-40℃—65℃
自耗电:≤3%/月
过充电、过放电、针刺、 挤压、短路、
撞击、高温、枪击时电池不燃烧、爆炸。
动力电池循环寿命不低于2000次,
80%容量保持率;
电池管理系统可靠、稳定、适应性 强,
符合国军标要求。