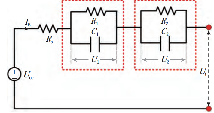
为了提高无人水下潜航器 (UUV) 电池管理系统状态的估计精度,该文提出荷电状态-健康状态 (SOC-SOH) 联合估计方法。 搭建测试台架,采用 4 组锂离子电池进行全寿命周期下的充放电测试,获取不同老化程度下的特性数据。经理论推导和实验分析设计四维表征因子,建立基于改进支持向量回归 (SVR) 的 SOH 估计模型. 探究电池状态的耦合关系,建立基于扩展卡尔曼滤波 (EKF) 的 SOC 估计模型,采用遗忘因子递推最小二乘算法 (RLS) 更新模型参数,利用 SOH 对 SOC 估计结果进行修正. 通过不同工况的实验进行验证,结果表明:四维表征因子和电池容量相关性好,SOH 估计模型精度高,SOC 估计模型精度在联合修正后得到提升. 所提的联合估计方法具有较高的通用性和可靠性,可以作为有效的嵌入式电池管理系统状态估计算法。 为了解决估计误差及工程实现的问题,提高设备状态反馈的精确性,本文提出适用于 UUV 电池系统的 SOC-SOH 联合估计方法. 采用遗忘因子递推最小二乘算法(forgetting factor recursive least squares,FF-RLS)在线辨识模型参数,结合 EKF 算法进行 SOC 估计. 通过多维表征结合改进支持向量回归( support vector regression, SVR)进行SOH 估计;利用状态间耦合关系联合修正估计, 提高状态反馈精度,通过实验验证方法的有效性。 三元电池具有高能量密度和较高的充电效率,非常适用于 UUV 对尺寸结构的要求,在 UUV中应用较多. 其中国外部分 UUV 应用锂电池的情况如下表所示。 将额定容量为 10 A·h 的三元镍钴锰酸锂电池分为 4 组进行实验,获取不同老化状态下的各项参数,记录循环的充放电数据,包括电流、电压、容量等数据. 开展特性测试,包括开路电压(open circuit voltage, OCV)、混合功率脉冲特性 (hybrid pulse power characteristic, HPPC)、动态应力测试 (dynamic stress test, DST) 和美国联邦城市运行工况 (federal urban driving schedule, FUDS);搭建台架,以获取不同老化状态下的电池数据,如下图所示.将采集步长设置为 0.1 s,对 4 组电池均进行全寿命周期下的老化试验,获取电池全寿命周期下的外特性数据。 等效电路模型(equivalent-circuit model,ECM)可以使用简单元件模拟电池输出特性,适用于对外特性的研究. 一般 ECM 中串联 RC 网络越多, 模型精度越高,但建模所需的参数增加,计算复杂度越高。为了较好地满足电池电化学极化、浓差极化不同时间常数的极化过程,建立二阶ECM,如下图所示。 SOH 反映了电池老化程度,是缓变量. 为了探究老化过程中与 SOH 相关度高的外在表征,开展深度老化实验. 鉴于电池实际工作过程中放电工况无法预知,但充电工况相对平稳固定,且单个循环内可以认为 SOH 基本不变,因此可以通过实验结果及理论分析从充电工况数据中提取与老化相关的表征。 随着老化的加剧,电池内阻增大,恒电流在相同时间内充入容量相等,但电压变化增大。分析不同老化程度下的充电数据,结果如下图所示. 图中,U 为电压。 由实验结果可知,随着充放电循环的进行,相同充电时间内的电压变化幅度增大,意味着充电使电池变化同电压差的时间逐渐减少,充电时间和电池容量存在正相关性. 考虑到实际工程应用中初始充电电压的不确定性,应选择较大的起始电压到恒流截止电压的充电时间为第 1 个表征因子(H1)。 随着电池老化的加剧,电池恒压充电时间逐渐增加。分析不同老化程度下的电池恒压阶段充电数据,结果如下图所示。图中,I为充电电流. 由实验结果可知,由于充电截止电流相同,充电时间增加意味着老化后期的电池在恒压阶段的充电电流下降速率减缓,相同时间内电流均值和电池容量存在负相关性. 考虑到实际工程应用中可能出现的充电周期不完整性,选取恒压充电开始后一小段时间内的电流平均值作为第 2 个表征因子(H2)。随着电池老化的加剧,容量和电压关系会发生变化,分析电池容量增量(incremental capacity, IC)是可行的方法。分析电池不同老化程度下的 IC 与电压的对应关系,结果如下图所示. 图中,Q 为充电过程中的电池容量。 由实验结果可知,IC 曲线具有独特的形状、高度和位置,它反映了电池充放电过程中的电化学反应. 其中存在 2 个明显的高峰,表示当前电压下电池容量随电压变化的斜率,有研究表明峰值的变化可能与电池的活性材料损失有关. 随着老化的加剧,两峰高度逐渐降低,对应的电压位置逐渐增大,因此可以从以上变化趋势中提取相关表征。由于两峰有明显的跟随性质,为了避免多重共线性影响,考虑提取第 2 峰的高度、位置作为第 3、4 个表征因子(H3、H4)。为了验证表征因子的合理性,对因子进行相关性分析。结合标准组 1#电池的测试结果,对比如下表所示。 由实验电池表征因子与电池 SOH 的相关性可知,本文所提的因子可以对电池 SOH 进行表征。考虑到所提的因子和相关性验证都是基于本文实验电池的数据,无法说明方法具备普适性。为了验证表征因子的泛用型,联立美国国家航空航天局卓越预测中心(National Aeronautics and Space Administration,NASA)公开数据集中的 2 A·h 的 18 650 型电池进行验证,结果如下图所示。 以上分析可知,所提表征与电池容量间具有良好的相关性,联立前文所提的 4 种因子,建立基于四维输入的 SVR 模型。采用粒子群优化算法(particle swarm optimization, PSO)自适应确定参数,选取 2 个实验标准组数据进行 SOH 估计,具体流程如下. 1)结合采集的电池数据,选取当前循环状态下的四维因子(H1、H2、H3、H4). 2)将四维因子作为输入,实时通过 PSO 优化 SVR 模型参数. 3)输出当前循环下的 SOH 估计结果. 估计结果如下图所示。 对以上 2 组电池结果进行估计精度计算,均方根误差(RMSE)分别为 0.003 9、0.006 8,平均绝对百分比误差(MAPE)分别为 0. 351%、0. 6 108%,可以证明所建立的 SOH 估计模型具有较好的效果。 随着电池老化的加剧,SOH 不断降低,电池最大可用容量不断减小,这会使 SOC 估计的误差逐渐增大。通过充放电老化试验数据,探究 SOC-OCV在不同 SOH 下对应关系的改变,选取电池初始循环、第 210 次循环、 第 450 次循环、 第630 次循环、第 810 次循环以及第 1 000 次循环数据进行分析,结果如下图所示。 从结果可以看出,随着循环数的增加,SOC-OCV 曲线特征明显改变. 为了提高电池的估计精度,对不同 SOH 下的 SOC 估计进行修正。随着充放电循环的不断进行,电池容量将会出现衰减,这会导致在不同老化状态下的 SOC 估计出现误差. 为了提高状态反馈精度,提出 SOC-SOH 联合估计,流程如下图所示。 为了验证所提 SOC-SOH 联合估计方法的泛用性,对电池采用不同测试工况(DST、FUDS)的数据进行算法验证. 电池真实 SOC 初始为 80%,根据不同的初始估计值对电池 SOC 进行估计,其中 第 630 次循环下标准组电池的估计结果如下图所示. 图中,te 为估计时间,SOC0 为 SOC 的初始估计值。以 SOC0=70%、DST 工况为例,修正后估计误差由 2.47% 降为 0.92%,不同工况下修正后的收敛时间和精度都得到了优化,证明了算法的通用性。 为了验证方法的有效性,采用不同老化状态(第 450 次循环、第 930 次循环)数据进行验证,结果如下图所示。从第 450~930 次循环的结果可以看出,不同老化状态的联合修正都提升了模型的精度,证明了所提方法在电池寿命周期内的有效性。 (1)该文所提的4 个状态表征因子与电池容量间有较强的相关性, 2 组标准电池 SOH 估计结果RMSE 分别为 0.003 9、 0.006 8, MAPE 分别为0.351%、0.610 8%,证明 SOH 估计模型具有较好的估计精度。 (2)该文所提的联合估计方法在不同测试工况下都有较好的效果,2 组电池在 630 次循环 FUDS 工况下估计的 RMSE 由 0.027 8、0.016 3 变化为 0.010 3、0.008 5,MAPE 由 3.58%、2.03% 变化为 1.07%、0.8%;在 DST 工况下的估计 RMSE 由 0.016 5、0.018 4 变化为 0.014 1、0.006 4,MAPE 由 1.73%、2.34% 变化为 1%、0.73%,证明了方法的通用性。 (3)该文所提的联合估计方法在不同老化状态下的估计精度都得到了提升,证明了所提方法在电池寿命范围内有较高的可靠性. 与其他方法相比,所提的 SOC-SOH 联合估计模型可以通过多维的外在表征实时反馈出精确的 UUV 内部电池状态,且模型计算复杂度低,对硬件要求不高,可以作为有效的 UUV 嵌入式 BMS 算法进行应用。
声明: 本网站所发布文章,均来自于互联网,不代表本站观点,如有侵权,请联系删除。
上一篇:深海锂电池关键技术研究与发展




能量密度:125-160Wh/kg
充放电能力:5-10C(20-80%DOD)
温度范围:-40℃—65℃
自耗电:≤3%/月
过充电、过放电、针刺、 挤压、短路、
撞击、高温、枪击时电池不燃烧、爆炸。
动力电池循环寿命不低于2000次,
80%容量保持率;
电池管理系统可靠、稳定、适应性 强,
符合国军标要求。