近年来,随着我国“双碳”目标的实施以及国际海事组织多部限制船舶排放相关政策法规的发布,电动化技术凭借零排放、低噪声、低振动等优势,在船舶领域脱颖而出,迅速发展。当前,传统化石燃油动力船艇在国内外存量巨大,其电动化改造在行业内已成为一个热门话题,但由于电动化改造复杂程度较高,目前市场上仍缺少成熟可靠的改造方案。
基于某40英尺柴油动力双体帆船改造实例,逸动科技研发了一套新型直流综合电力系统,该系统实现了锂电池、太阳能和风能等多种能源的综合利用,具有发电效率高、可靠性强、经济效益优等特点,适用于各类中小型船艇的电动化改造。
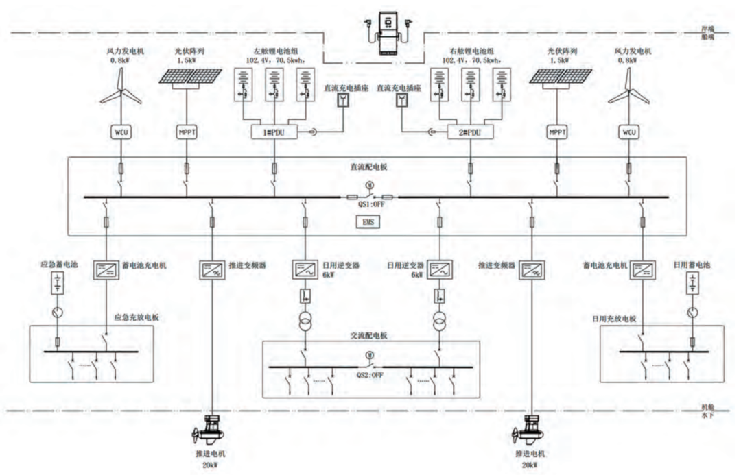
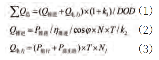
新型直流综合电力系统设计 新型直流综合电力系统主要由能源系统和配电系统两大部分组成(见图1)。能源系统包括锂电池系统、光伏发电系统及风力发电系统,配电系统包括直流配电板、交流配电板及低压直流充放电板等,两部分由能量管理系统(EMS)进行协调管理,实现电能的合理分配,确保电网的稳定性和可持续性。 图1 直流综合电力系统拓扑图 当帆船停靠码头时,可由直流充电桩为锂电池系统充电,锂电池管理系统(BMS)与直流充电桩实时通信,发送充电参数和充电实时数据至直流充电桩,并控制直流充电桩在BMS限定的条件下运行,实现智能充电管理。 1、能源系统 (1)锂电池系统 ①锂电池组 电池系统选用方形铝壳磷酸铁锂电芯蓄电池,左、右电池舱各设1个锂电池组,每个锂电池组由3个锂电池簇并联组成,每个锂电池簇由两个电池包串联组成,3个电池簇通过高压箱与直流母线并网连接,高压箱负责控制电池簇的充、放电,同时对电池簇进行状态监测与故障处理。全船两个电池组的总容量能够满足本船在纯电池航行工况下的用电需求。 图2(a) 锂电池组三维布置图 图2(b) 锂电池组实船安装布置图 ②电池管理系统(BMS) BMS作为锂电池系统的核心部分,包含电池包采集单元和电池簇管理单元。BMS控制电池簇的充、放电,同时对电池簇进行状态监测、故障处理并估算电池荷电状态,最大发挥锂电池的性能,提高锂电池能量利用率,保证电池组高效、可靠、安全运行。锂电池管理系统电气架构如图3所示。 图3 电池管理系统电气架构图 (2)光伏发电系统 太阳能作为目前利用方式较简单、转化效率较为理想的清洁能源,可作为新能源船艇的补充能量提高其电动续航里程。本次改造,在上层建筑宽敞甲板处敷设约16m²柔性光伏板,光伏板通过串、并联组成光伏阵列,提高光伏开路电压和输出功率,实现光伏发电,最大功率可达3kW。 为了最大限度利用太阳能,光伏发电系统采用广东逸动科技有限公司开发的最大功率跟踪(MPPT)控制器进行能量管理,在一定的温度和光照条件下,控制器通过调制占空比调节负载的阻抗特性来改变光伏板的工作点,控制其在最大功率点工作,提高光伏板的利用率,避免资源浪费。 (3)风力发电系统 风能是一种重要的绿色能源,帆船无动力风帆航行或锚地靠泊时,风力发电系统可将风能转换为直流电能,为锂电池充电,可作为补充能源提高帆船的电动续航里程。 本次改造在主甲板艉部左、右两处各布置一套800W的直驱式永磁同步风力发电机,直驱式永磁同步风力发电机的风力机与永磁同步发电机直接相连,由风力机输入的机械能直接驱动转换为电能,省去了齿轮箱,极大程度地提升了系统的发电效率。同时系统采用MPPT控制技术,通过控制风机转速(与叶尖速比正相关),使得在一定的风速和浆距角条件下,风力发电机的输出功率最大。 2、配电系统 配电系统为交、直流混合电力系统,采用分布式设计,由直流配电板、交流配电板、低压直流充放电板以及能量管理系统组成。 (1)交直流配电板 直流配电板是直流综合电力系统控制及驱动的核心设备,电源侧:对能源系统进行管理,负责锂电池组的充、放电,光伏发电和风力发电的并网与脱网;负载侧:为推进电机、低压直流充电机、AC220V逆变器供电,并提供过载、短路保护。交流配电板以及低压直流充放电板主要是对全船的AC220V以及DC12V的日用设备进行供电并提供过载、短路保护。 (2)能量管理系统(EMS) EMS是直流综合电力系统的中枢核心,负责全船能量的协调管理,具有CAN、RS485,Ethernet等接口,可与BMS、光伏发电、风力发电、推进电机和逆变器等协调运行,在供配电系统出现故障时,EMS会采取措施对重要负载进行连续供电,避免全船失电,保障系统供电的可靠性。 帆船电动化改造方案 原船为一艘40英尺柴油动力双体帆船,电动化改造后,全船配置总电量为141kWh的锂电池组作为主电源,设有3kW光伏阵列、两台0.8kW风力发电机作为辅助新能源,负载侧有2台20kW推进电机,6kW的电力及生活用电负荷。电动化改造后的设计航速为6kn,在设计航速工况下,纯锂电池续航6小时左右。 1、锂电池容量估算 船舶电力系统容量配置一般需要进行电力负荷计算,锂电池船的容量计算与传统内燃机船舶不同,设计时必须同时考虑全航程用电时间以及功率,本船锂电池容量计算如下: 式中:Q为电量(kWh),P为功率(kW),η为推进效率(0.96),N为推进电机数量,N1为锂电池组数量,k1为电网损失(取0.05),T为航行时间(h),k2为锂电池放电系数(取1),cosφ为电机功率因数(取0.95),DOD为放电深度(取0.8)。 经计算全船在设计航速工况下需要电量为135kWh,全船配置电量大于需求电量,满足本船续航力要求。以上计算不计及航行过程中光伏发电系统和风力发电系统补充的电量。 2、系统冗余设计 直流综合电力系统单线图如图4所示,直流配电板中的直流母线通过母联开关QS1分为两段(A段、B段),实现电力系统的冗余结构;电源侧:两个锂电池组、两个光伏发电系统和两个风力发电系统分别位于直流母线的A 段和B段;负载侧:设有两台推进电机、两台日用逆变器和两台低压直流充电机,由直流母线的A、B段分别供电。正常航行工况下,母联开关断开,采用分区供电模式,左、右分段独立运行,同时向各自负载供电。当任一段直流母线上的锂电池发生故障,在确认故障电池全部切除后,可通过合闸QS1由另一段母线供电,实现电力系统的冗余。 图4 直流综合电力系统单线图 两台日用逆变器分别接入交流配电板内置的两段独立汇流排,独立运行,汇流排之间用交流隔离开关QS2进行连接。正常航行工况下,QS2开关分闸,采用分区供电模式,各汇流排独立运行,同时向各自负载供电。任一汇流排发生故障不会危及本船的航行安全。 由于推进电机、推进冷却系统、转向系统、日用负载均匀分布在两段独立运行的母线上,当推进变频器或日用逆变器发生故障时,无需进行备用机组切换,转向系统和冷却系统不会全部短时失效,保证电力系统连续、可靠运行,不因单点故障导致全船失去动力,危及航行安全。 3、系统电气保护 当前直流综合电力系统的保护技术仍处于快速发展阶段,因此需要对交、直流电网进行短路故障分析,分别研究交、直流电网之间的相互影响。当直流侧发生短路故障时,直流母线侧并联的滤波电容会在极短的时间内向直流短路点进行放电,相较于交流系统,其短路电流上升速度迅速且峰值较高,因此对保护装置的动作时间提出了很高的要求,快速熔断器由于具有动作速度快、分断能力高、价格成本较低等特点 ,因此在直流母线侧均设置快速熔断器作短路电流选择性保护。 交流侧发生短路故障时,故障点的短路电流由逆变器提供,因此需要逆变器具有一定的短路支撑能力以及低电压穿越能力,向交流故障点进行放电,提供持续时间不低于0.5秒且不少于2倍额定电流的短路电流,保证故障点上游的交流断路器可靠分断,交流短路电流计算和协调保护分析可按照中国船级社相关规范进行计算。 4、系统稳定性分析 该型直流综合电力系统采用主从控制策略,锂电池系统作为主电源,直接连接到直流配电板,为光伏发电、风力发电提供直流电压参考,光伏发电、风力发电各自的能量变换装置跟随直流参考电压,将可再生能源转换成直流电,经馈线向直流配电板供电。 对系统进行仿真,系统启动时,由锂电池组给负荷供电,之后依次投入光伏发电、风力发电。图5(a)中,0.5秒时启动推进电机,满功率运行,直流母线电压发生跌落,跌落范围控制在10%以内,之后快速恢复;图5(b)中,在1秒和3秒时,光照强度、风速变化分别模拟发生变化,母线电压产生小幅波动,而后快速达到稳定。通过系统仿真分析,该系统具有一定的鲁棒性,在负载突变、光照强度以及风速快速变化时,能保持直流母线电压稳定。 图5(a) 推进电机启动时直流母线电压波形变化 图5(b) 光照强度、风速变化时直流母线电压波形 电动化改造的经济与社会效益 以此改造项目为例,船艇电动化改造能够为客户带来一系列的经济与社会效益。 经济效益方面:电动化可显著减少对化石燃料的依赖,由于电机的效率通常较传统油机更高,这意味着转化为实际动力的能量更多,浪费的能量更少,从而降低运行成本。 1、根据表1计算,该船按每天满功率航行3小时计算,能源支出费用可减少:103295-50370=52925元。 表1 能源支出费用计算表 注:本次计算是基于满功率运行工况下的能源费用支出,在低功率运行时,柴油机的燃油消耗率会更高,因此会节省更多支出。另外,风能、太阳能的能源补充尚未计入内。 2、推进电机的结构组成相比传统油机更简单,因此其维护成本更低。假设一年保养3次,约可减少维护保养支出:9000-1500=7500元。 表2 维护保养费用计算表 社会效益方面:电动船会大幅减少尾气排放量,有助于减少空气污染和温室气体排放,对环境保护非常有利。 按每天满功率航行3小时计算,采用柴油机推进的每日耗油量为11.8L/h×3h×0.86kg/L=30.444kg。电动化改造后,该船一年可减少CO2排放约34402kg,SO2排放约14.36kg,氮氧化物排放约106.9kg,颗粒物排放约25.84kg。 综上所述,在实际应用中,该型直流综合电力系统具有冗余性高、拓展性强、适装性好等特点,不仅可在帆船游艇进行适装,在内河小型客船、游船及小型公务船上也可安装使用,应用场景十分广阔。
声明: 本网站所发布文章,均来自于互联网,不代表本站观点,如有侵权,请联系删除。
上一篇:船舶推进电池的主要特点




能量密度:125-160Wh/kg
充放电能力:5-10C(20-80%DOD)
温度范围:-40℃—65℃
自耗电:≤3%/月
过充电、过放电、针刺、 挤压、短路、
撞击、高温、枪击时电池不燃烧、爆炸。
动力电池循环寿命不低于2000次,
80%容量保持率;
电池管理系统可靠、稳定、适应性 强,
符合国军标要求。