有人将电池的充放电就像孩子喝母乳一样,十分形象:
1,如果一直让孩子喝,家长不加以控制,那么这个奶可能会被喝光,类似电池过放;
2,如果家长一直不给孩子喝奶,这个奶就会积攒越来越多,类似电池过充;
3,如果孩子喝奶喝的急,容易呛奶,类似电池的过电流保护;
对于锂电池,如果不能够科学喂奶、喝奶,除了可能降低电池使用寿命,有时可能会造成电池爆燃、爆炸等危险场景。那么如何控制这种情况发生呢?
通常情况下,在锂电池内部都会有一个专用的保护PCB板,与电池单元封装在一起。在它的保护下,可以控制锂电池的输出电压在一个安全电压区间,即电池的充放电终止电压和截止电压。
如果电池的工作电压超出安全范围,就有可能在电池内部发生不可逆转的伤害,导致电池衰减,体现在电池的内阻增加,容量下降。
▲ 带有电池保护板的锂电池
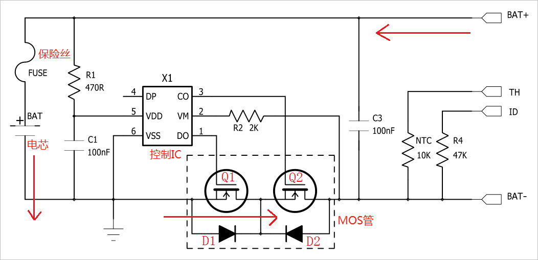
在锂电池保护板上通常集成有控制IC、MOS管、电阻电容、保险丝FUSE等组成,如下图所示。
▲ 常见到的锂电池保护板电路图
图中的两个N沟道MOS管分别控制充电和放电的通断。并联的二极管是MOS管的寄生二极管。
在对外界口中,TH为温度检测,内部是一个10K NTC接到电池负极;ID是电池在位检测,一般是47K/10K电阻接到电阻负极,有的是0R电阻;TH和ID均是选配,并不是所有锂电池都有的。
当电池充电时,电流从电池包的正极流入,经过FUSE后从负极流出,最下方的两个MOS管均是导通状态。如下图红色箭头所示方向:
▲ 电池充电时电流方向如箭头所示
充电时,控制IC X1会时刻监测第5脚VDD和第6脚VSS之间的电压,当这个电压大于等于过充截止电压且满足过充电压的延时时间时,X1会通过控制第3脚来关闭MOS管Q2,Q2被关闭之后,充电回路被切断(Q2的体二极管D2也是反向截止的),这个时候,电池只能放电。
当下面两个条件满足其一时,便可以解除充电保护::1,电芯两端的电压下降到保护IC的过充恢复电压。2,在电池包得输出端加负载放电,放电到电压小于过充保护电压。
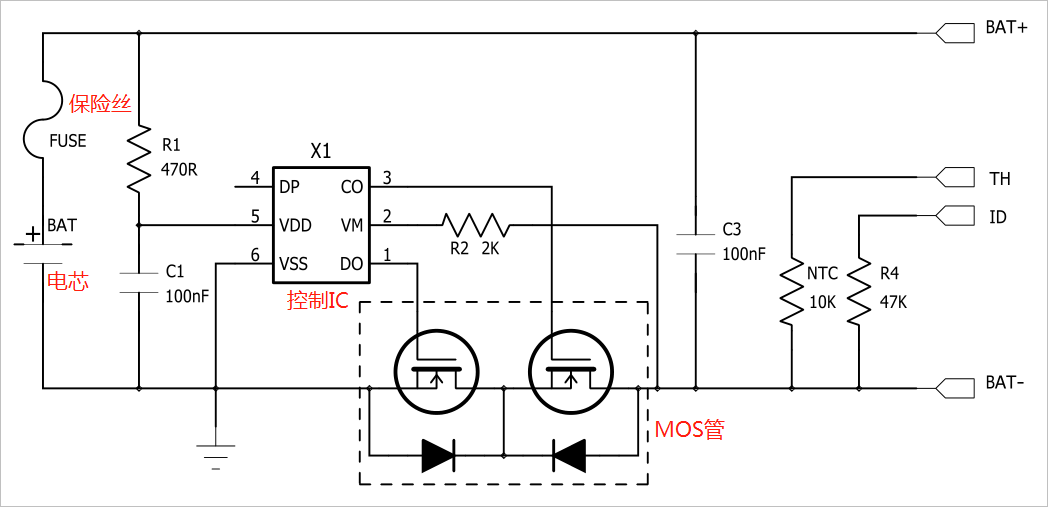
电池两端向负载输出电流时,电流按照下图的红色箭头流动。
▲ 电池放电时电流方向如箭头所示
放电池,控制芯片IC X1将会通过第5管脚检测C1上的电压。当这个电压小于放电截止电压后并持续一段时间,控制IC将会通过DO管脚控制Q1截止,此时放电回路被切断。
当下面条件满足时,IC X1接触过放保护:拿掉负载,给电池包充电,当VM-VDD之间的电压达到过放恢复电压值时,控制IC X1会重新打开MOS管Q1。
过流保护则是通过IC X1第2管脚(VM)检测流经控制MOS管电压。如果该电压过大并持续一定时间,控制IC将会关闭Q1,断开放电回路。将输出端负载拿掉,控制IC会自动将Q1重新打开。
▲ 保护电流为21A锂电池保护板
过流保护电压VM常常在0.1 ~ 0.2V,这个数值与IC的型号有关。
过流保护数值除了与VM有关之外,也和Q1,Q2两个MOS管的导通电阻有关系。如果MOS管的导通内阻越大,保护电流值就越小。
如:内阻为20mΩ的MOS管,选用的过电流值为0.15V的控制IC,那过流保护的电流应为:0.15V/(0.02*2)=3.75A。
有的保护板里面会加上保险丝,在控制IC失效之后,起到一个二级保护作用,避免更坏的结果,当然也会增加成本。
声明: 本网站所发布文章,均来自于互联网,不代表本站观点,如有侵权,请联系删除。




能量密度:125-160Wh/kg
充放电能力:5-10C(20-80%DOD)
温度范围:-40℃—65℃
自耗电:≤3%/月
过充电、过放电、针刺、 挤压、短路、
撞击、高温、枪击时电池不燃烧、爆炸。
动力电池循环寿命不低于2000次,
80%容量保持率;
电池管理系统可靠、稳定、适应性 强,
符合国军标要求。