一、引言
随着石油、化工、煤矿等工业的发展,防止爆炸性事故的发生,越来越引起人们的重视,所以使用在这些场所的电气设备都必须采用防爆型产品,才能避免成为危险点燃源。
在爆炸性气体环境中使用的电气设备有多种防爆型式,例如:隔爆型、增安型、本质安全型(简称本安型)、浇封型、正压型等。除本安型外,其他型式都是采取机械手段的防爆措施,只有本安型是采取限制电路的能量达到防爆的目的。
本安型与其他防爆型式相比较,具有安全程度高(ia等级可用于0区,其他防爆型式均不能用于0区);体积小,重量轻,造价低;结构简单,易操作、维护。所以,在防爆产品选型上,应尽可能选择本安型。
在本安型设备中有大量电池供电的产品,电路上采取哪些防爆措施,才能保证在正常工作和故障状态下都不能点燃周围环境中的爆炸性气体混合物,以防止爆炸和火灾等重大事故的发生,是非常值得重视和研究的课题。
二、电池供电的本安型设备种类与组成:
电池供电的本安型设备一般是便携式产品,主要有:气体报警器、手持POS机、防爆手电筒、便携式电子温度计、工业用遥控器、数据采集器、消防呼救器、防爆对讲机、防爆手机等。
上述产品电路部分主要由电池组件和本安电路组成。
三、电池组件的防爆措施
电池的结构要求:
电池或电池组应具有电解液不能够溢出的结构型式。例如:密封式的或阀控式。
对于某些电池和电池组,例如锂电池,如果短路或反向充电时就可能引起爆炸。这种爆炸可能对本质安全性能有不利影响时,必须由制造厂出示证明,表明所使用的这种电池和电池组,用于本质安全型电气设备或关联设备中是不会引起爆炸的。
电池组件由电池与限流器件构成一个可以成套替换的单元。该单元应封装为一体。
对于在爆炸性环境使用并不可更换的电池组件,也可按上述方法保护。或者将电池与限流器件的外壳配有特殊紧固件,并加防止更换电池组件的警告标志。例如:“在爆炸性环境中不得拆卸电池或电池组”。
注:电池组件若安装在关联设备中,可不要求限流器件作为电池组的整体部件。
便携式电气设备,按其使用状态应承受GB3836.1-2000第23.4.3.2规定的跌落试验,若试验结果未发生影响防爆性能的变形和损坏,能防止电池和电池组从电气设备中抛出或分离,则认为设备结构合格。
可充电式电池的外部触点
电池或电池组组件的外部充电触点,应采取措施防止短路或防止电池和电池组向触点释放能点燃的能量。可在充电电路中设置阻塞用二极管或串联可靠电阻。对于“ib”等级应使用两只二极管。对于“ia”等级应使用三只二极管。
限制电池及电池组的能量:
为了评定和试验,新的原电池和可充电电池组充电后,电池最高开路电压应达到表1的规定值:
注:当电池和电池组不适用表1时,则应按GB3836.4第10.9条进行试验来测定最高开路电压。
限制电池及电池组的能量,应依据GB3836.4-2000标准附录A中的表A1。
在电路参数设计时,电池电压可取表1中“对火花点燃危险评定的峰值开路电压”值。如果电池及电池组的最大短路电流,小于GB3836.4-2000中表A1中相应防爆等级1.5倍安全系数栏中所对应的最小点燃电流值,可直接作为电路供电电源使用。如果电池及电池组的最大短路电流大于最小点燃电流值,应在电池中串联限流器件。
电池中的限流器件:
本安型设备分为ia和ib两个等级。
a)对于ia等级,限流器件必须是限流电阻。
限流电阻可选用金属膜或线绕电阻,碳膜电阻不宜选用。限流电阻的功率P应满足:
P>1.5IO2R(IO:电池及电池组的最大短路电流;R:限流电阻)
b)对于ib等级,限流器件除选用限流电阻外,也可选用带有双重化的保护电路。
例如图1为锂离子电池的保护电路,必须具有双重化的过充电、过放电、过流和短路保护。
过充电保护是防止当充电电路故障时发生过充,导致电池膨胀甚至爆裂的危险;过放电保护是防止将电芯的电压放光,导致电芯损坏、报废;短路保护是防止电池输出端发生意外短路时,导致产生大电流,轻则烧坏电池,重则发生爆炸的危险。
图1:锂离子电池的保护电路
U1、U2:保护芯片;Q1A、Q1B、Q2A、Q2B:MOS开关管
保护电路工作原理:
U1、U2保护芯片通过检测VDD、VM端的信号,控制MOS开关管的通、断状态,以达到保护的目的。
电路采用双重化保护器件,有效地保证其可靠性。
正常工作状态:保护芯片控制MOS开关管处于导通状态,电池可以自由地进行充电和放电。
过充电保护:当保护芯片的VDD端检测到过充电压时,C0 端将输出低电平,控制MOS开关管Q1B、Q2B切断充电通路,实现过充保护。
过放电保护:当保护芯片的VDD端检测到过放电压时, D0 端将输出低电平,控制MOS开关管Q1A、Q2A切断放电通路,实现过放保护。
过流保护:当MOS开关管都处于导通状态,保护芯片的VM端检测到过流时,芯片内部的过流检测器工作,D0 端将输出低电平,控制MOS开关管切断通路,实现过流保护。
短路保护: 当MOS开关管都处于导通状态,电池输出端短路,保护芯片的VM端检测到过流时,芯片内部的短路保护器迅速动作,D0 端将输出低电平,控制MOS开关管切断通路,实现短路保护。
电池及电池组的相关试验:
1、电池的温度试验
电池或电池组外部的所有限流器件试验时应短路。试验时应除去电池或电池组上不是外壳本身的任何外层覆盖物(纸或金属等)。温度应在每只电池或电池组的外壳表面获得,并取最大值。试验应在每种情况下同限流器件一起,即10只电池短路时进行。
电池的温度试验实际上是模拟电池内部短路状态下,检测电池发热的最高表面温度,所以较大功率的锂电池、镍氢电池等温度组别很难达到T4以上,一般只满足T3。
2、电池的火花点燃试验
火花点燃试验应在电池和电池组的外部端子上进行,若含有限流器件,试验应包含该限流器件。
根据IEC60079-11:2006标准规定,如果设备所含的蓄电池不允许在爆炸性气体环境中更换,那么在下列情况下不要求在单体蓄电池的端子处进行火花点燃放电试验:
– 单体蓄电池的峰值开路电压小于4.5 V
– 单体蓄电池端子处的最大电压和瞬态电流的乘积不超过33 W。
四、本安电路的防爆措施
本安电路中储能元件的能量,应依据GB3836.4-2000标准附录A中的图A1~A6最小的点燃曲线或表A1~A2进行评价。
对应电路中的储能元件,应查相应防爆等级所对应的最小的点燃曲线,使考虑安全系数后的电压或电流值小于最小点燃电压或最小点燃电流值。
对于电路中不符合要求的储能元件,必须采取下列措施进行限制。
电阻电路:是通过限制电路中的电压和电流来限制火花能量的。
电容电路:电路中应尽量避免采用大电容。限制电容器放电火花能量的方法:
a)在电容器两端并联限压元件,限制电容器上的电压。
例如:对于ib等级并联双重化稳压二极管,对于ia等级并联三重化稳压二极管。
b)将电容器和电阻串接并浇封为一体,限制电容器放电的速率,达到抑制电容器释放能量的目的。见图2
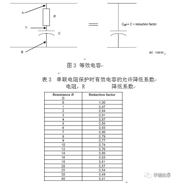
图2:电容电路
根据IEC60079-11:2006标准规定,串联电阻保护时有效电容允许降低。
当用电阻和电容串联来限制两者组合(图3中节点A和节点B)后的放电能量时,该两节点间有效电容的评定可用表3简化。反之,如果该表不适用,可对电路进行试验。
电阻必须具有标准中规定的额定值,节点X必须符合标准中与其它所有导电部件之间的隔离间距的要求。
电感电路:电路中尽量减小电路的电感量或电流值,当仍达不到要求时,电感两端可并接分流保护性元件,并与电感元件浇封为一体。
例如:对于直流的电感线圈,ib等级并联双重化二极管, ia等级并联三重化二极管。见图4。
射频辐射功率限制值:
射频能量普遍被视为一种潜在点燃源。用于爆炸性环境用射频设备的评估和认证中, 根据IEC60079-0:2007标准规定,连续发射和脉冲时间超过热点燃时间的脉冲发射的射频(9kHz-60GHz)极限功率,应不超过表4的值。
不允许用户提供程序或软件控制进行设定。
表4 射频功率限值
设备类别 | 功率限值 W | 热点燃时间(平均时间) µs |
I类 | 6 | 200 |
IIA类 | 6 | 100 |
IIB类 | 3.5 | 80 |
IIC类 | 2 | 20 |
III类 | 6 | 200 |
五、外壳要求
一般Ⅰ类外壳不低于IP54,Ⅱ类不低于IP20,但也应与环境条件相适应,对于恶劣环境,应适当提高防护等级。例如户外,一般不低于IP54。
金属外壳,对于Ⅰ类产品,铝、钛、镁的总含量(质量百分比),应不大于15%,且钛和镁的总含量不大于6%。对于Ⅱ类产品,镁的总含量应不大于6%。
非金属外壳,一般非金属外壳采用不燃性或难燃性的塑料外壳,并具有较好的热稳定性,塑料外壳允许的工作温度应高于设备外壳最高表面温度。
为防止塑料外壳产生静电,要求塑料表面绝缘电阻应小于1GΩ。
六、电池供电的本质安全型设备使用和维护应注意的事项
由于本质安全型电气设备的防爆性能是通过采用电路保护措施,限制电路的电气参数和火花能量来达到的。因此,在危险场所安装、使用和维护本安设备过程中,保持电路原设计状态下的电气参数和保护性能是十分重要的。
如果需要,应在电气设备的铭牌上和使用说明书中标出警告用语。例如:
警告: 仅使用XX电池(这里XX是电池制造厂名称和电池或电池组的型号)。
警告:有爆炸性气体时请勿更换电池!
警告:请勿在危险场所充电!
在维修本安电路和更换关联电路电气元件时,不得改变原电路的的电气参数和本安性能,也不能擅自改变电气元件的型号,特别是保护元件更要格外注意。更换的保护元件应严格筛选,保证整定值及保护性能与原设计要求一致。一般情况下,更换的电池和电路维修应由原制造企业负责。
声明: 本网站所发布文章,均来自于互联网,不代表本站观点,如有侵权,请联系删除。
下一篇:不同防爆型式电气设备对电池的要求




能量密度:125-160Wh/kg
充放电能力:5-10C(20-80%DOD)
温度范围:-40℃—65℃
自耗电:≤3%/月
过充电、过放电、针刺、 挤压、短路、
撞击、高温、枪击时电池不燃烧、爆炸。
动力电池循环寿命不低于2000次,
80%容量保持率;
电池管理系统可靠、稳定、适应性 强,
符合国军标要求。