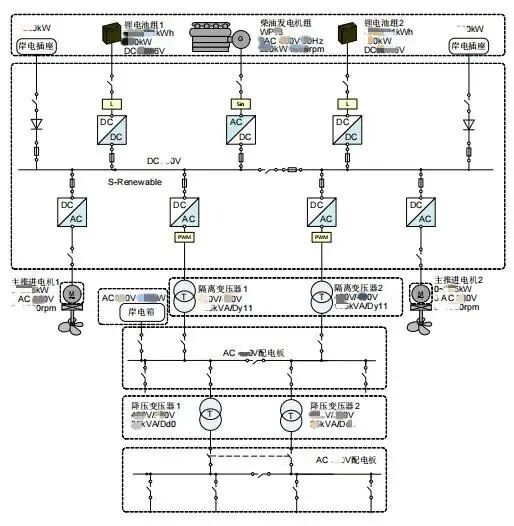
背景介绍
磷酸铁锂电池电化学性能比较稳定,具有放电功率高、成本低、可快速充电且循环寿命长等优点 ,在充放电过程中电池的结构不会发生变化,不会燃烧爆炸,即使在短路、过充、挤压、针刺等特殊条件下,仍然是相对安全的,目前在电池动力船舶中得到广泛应用。 但是,磷酸铁锂电池在安全阀破裂后会释放出大量的可燃气体,通过对比燃烧实验过程可以发现,100%荷电状态的目标电池燃烧速率高于汽油,存在较大的火灾危险性。
背景介绍
超级电容是⼀种介于普通电容器和蓄电池之间的新型⾼性能储能器件,又称电化学电容器,双电层电容,其工作原理是通过双电层结构和活性炭多孔电极储存电量。储存或释放电能即充放电过程中并不伴随着化学反应,是可逆的物理过程。因其内阻很小,故可大电流充放电。 超级电容器在不当使⽤及极端恶劣环境下使用时,会造成外壳破裂,可能会导致电容器内部成分泄漏,在遇火燃烧中可能会形成CO、CO2及有机烃类气体。 目前超级电容在陆域轨道交通,港口大型机械方面应用较多,但由于其能量密度低,应用条件要求比较苛刻,水路方面作为独立主动力装置的应用较少,防护及维护保养要求可参照法规对磷酸铁锂电池的要求开展。 对船用超级电容系统的日常维护保养 01 检查超级电容储存、安装位置是否远离火源、热源以及⼀切易引起火花的电器设备。 检修时, 操作人员需佩戴必备劳动保护用品,包括绝缘鞋、绝缘手套等。 02 日常检查,可以通过人机界面或BMS屏(电池管理系统)检查超级电容系统的电压、电流、温度等状态;检查电容系统上下电是否正常,BMS屏(电池管理系统)电容状态显示是否正常。 03 任何时段若发现模块或单体出现短路、冒烟、泄漏等现象,必须立即停⽌操作,采取断开回路、切断电源等对应安全措施。 04 灭火时要用七氟丙烷或⼆氧化碳灭火器,不能使用干粉灭火器, 严禁使用泡沫及水灭火。
背景介绍
动力系统作为整个船舶最核心的系统,其安全性和可靠性将直接影响船舶的安全航行,动力电池组作为船舶的心脏,为船舶的安全操作提供动力;动力电池组的布置是否合理合规,将直接影响到电池动力船舶的安全运营。 检查要点 蓄电池舱与起居处所应相互远离布置,若确需相邻布置时,二者的共用限界面应尽可能减至最小; 蓄电池舱内的蓄电池箱(柜) 或蓄电池包,与舱壁及上方甲板之间应留有足够的空间以利于蓄电池通风散热,但与舱壁的间距应不小于150mm,距上方甲板应不小于500mm; 蓄电池箱 (柜)、蓄电池包应牢固固定,并尽可能远离船舶舷侧,避免碰撞的影响。蓄电池箱 (柜)、蓄电池包至船体外板的水平距离应大于等于500mm; 当设有蓄电池托架时,托架应采用钢质材料制造。(检查依据:《内河船舶法定检验技术规则2019》和《国内航行海船法定检验技术规则2022修》) 船员日常维护保养要点 检查动力电池舱(室)与相邻处所的舱壁和甲板的完整性,有无破损、开口; 检查蓄电池托架是否为钢质材料制造,有无损坏; 检查蓄电池箱柜、蓄电池包有无破损泄露。
声明: 本网站所发布文章,均来自于互联网,不代表本站观点,如有侵权,请联系删除。
上一篇:锂电池在船舶中的应用
下一篇:电动船舶领域与趋势浅析




能量密度:125-160Wh/kg
充放电能力:5-10C(20-80%DOD)
温度范围:-40℃—65℃
自耗电:≤3%/月
过充电、过放电、针刺、 挤压、短路、
撞击、高温、枪击时电池不燃烧、爆炸。
动力电池循环寿命不低于2000次,
80%容量保持率;
电池管理系统可靠、稳定、适应性 强,
符合国军标要求。